( TF09E00J22100030053BBAT00 )
Gauge Control Module Self-diagnostic Function

NOTE: Before doing the self-diagnostic function, make sure the No. 1 (10 A) and the No. 22 (7.5 A) fuse in the under-dash fuse/relay box are OK.
The gauge control module has a self-diagnostic function which consists of the following checks:
  • The beeper drive circuit check.
  • The indicator drive circuit check.
  • The switch input test.
  • The LCD segment check.
  • The gauges drive circuit check (Tachometer, Fuel gauge, Speedometer).
  • The communication line check (of the body-controller area network (B-CAN) communication line and the fast-controller area network (F-CAN) communication line between the gauges).
NOTE:
Indicators are also controlled via the communication line.
Entering the self-diagnostic function with the HDS
Using the HDS, select Body Electrical, Gauges, then Function Test and do the self-diagnostic function.

Entering the self-diagnostic function (manual method)
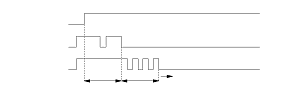
  1. Push and hold the SELECT/RESET switch button.
  1. Turn the combination light switch ( ) ON.
  1. Turn the ignition switch to ON (II).
  1. Within 2−5 sec., turn the combination light switch ( ) OFF, then ON and OFF again.
  1. Within 5 sec., release the SELECT/RESET switch button, and then push and release the button three times repeatedly.
NOTE:
  • While in the self-diagnostic mode, the dash lights brightness controller operates normally.
  • While in the self-diagnostic mode, the SELECT/RESET button is used to start the Beeper Drive Circuit Test and the Gauge Drive Circuit Check.
  • If the vehicle speed exceeds 2 km/h (1.2 mph) or the ignition switch is turned to LOCK (0), the self-diagnostic mode ends.

The Indicator Drive Circuit Check
When entering the self-diagnostic mode, the following indicators blink:
ABS indicator, brake system indicator, A/T gear position indicator, charging system indicator, cruise control indicator, cruise main indicator, EPS indicator, high beam indicator, high temperature indicator, immobilizer indicator, lights-on indicator, low temperature indicator, low oil pressure indicator, low fuel indicator, malfunction indicator lamp (MIL), seat belt indicator, security indicator, side airbag cutoff indicator, sequential sportshift mode shift indicator, safety indicators, SRS indicator.

The Beeper Drive Circuit Check
When entering the self-diagnostic mode, the beeper sounds five times.

Switch Input Check
After the beeper drive circuit check, you can check the switch input. The beeper sounds continuously when the ODO/TRIP button or the parking brake switch inputs are switched from OFF to ON: ODO/TRIP button, parking brake switch.

The LCD Segment Check
With ODO/TRIP display: When entering the self-diagnostic mode, all the segments blink five times.With multi-information display (MID): When entering the self-diagnostic mode, ‘‘···'' shows on the MID, and blink five times.

The Gauge Drive Circuit Check
When entering the self-diagnostic mode, the speedometer, the tachometer, the fuel gauge needles sweep from the minimum position to maximum position, then return to the minimum position.
NOTE:
After the beeper stops sounding and the gauge needles return to the minimum position, pressing the ODO/TRIP button starts the Beeper Drive Circuit Check (one beep) and the Gauge Drive Circuit Check again.
The check cannot be started again until the gauge needles return to the minimum position.
If the needles fail to sweep, or the beeper does not sound, replace the gauge control module.

The Communication Line Check - With ODO/TRIP display
While in the self-diagnostic mode, the Communication Line Check starts after the LCD Segments Check.
If all segments come on, the communication line is OK. If faulty, the word ‘‘Err'' will be indicated on the odometer display followed by number(s).

Error Code List

Error code
Type of communication line(s) error
Error 1
F-CAN communication
Error 2
B-CAN communication
Error 12
F-CAN and B-CAN communication

  • Err 1: there is a malfunction in the communication line between the gauge control module and F-CAN. Check for DTCs in the ECM/PCM, and troubleshoot the indicated DTCs.
  • Err 2: there is a malfunction in the communication line between the gauge control module and B-CAN. Check for DTCs in the body electrical system and troubleshoot the indicated DTCs.
  • Err 12: there is a malfunction in the communication line between the gauge control module and F-CAN or B-CAN. Check for DTCs in the ECM/PCM first and troubleshoot the indicated DTCs. If there is no DTCs in the ECM/PCM, check for the body electrical system DTCs and troubleshoot the indicated DTCs.
Example Indication

The Communication Line Check - With multi-information display (MID)
While in the self-diagnostic mode, the Communication Line Check starts after the LCD Segments Check.
If ‘‘···'' come on, the communication line is OK. If faulty, the word ‘‘Error'' will be indicated on the MID followed by number(s).

Error Code List

Error code
Type of communication line(s) error
Error 1
F-CAN communication
Error 2
B-CAN communication
Error 12
F-CAN and B-CAN communication

  • Error 1: there is a malfunction in the communication line between the gauge control module and F-CAN. Check for DTCs in the ECM/PCM, and troubleshoot the indicated DTCs.
  • Error 2: there is a malfunction in the communication line between the gauge control module and B-CAN. Check for DTCs in the body electrical system and troubleshoot the indicated DTCs.
  • Error 12: there is a malfunction in the communication line between the gauge control module and F-CAN or B-CAN. Check for DTCs in the ECM/PCM first and troubleshoot the indicated DTCs. If there is no DTCs in the ECM/PCM, check for the body electrical system DTCs and troubleshoot the indicated DTCs.
Example Indication

Ending the self-diagnostic function
Turn the ignition switch OFF.
NOTE: If the vehicle speed exceeds 2 km/h (1.2 mph), the self-diagnostic function ends.